RSP-320 AC To DC Power Supply With PFC
The WEHO RSP-320W is a high-performance 320W single-output enclosed power supply with excellent efficiency reaching up to 94%. It operates on a universal input of 90-264VAC (135-370VDC) and has a built-in active power factor correction function. This model is available in 12V, 24V, 36V, and 48V DC outputs to meet diverse power requirements. The RSP-320W is equipped with robust protection mechanisms, including overload, overvoltage, and over-temperature safeguards. Contained within a 215 x 115 x 30mm case, it is a reliable power source for automation, instrumentation, and industrial machinery.
- Description
Summary
Single output:power 320W
Input voltage:90~264VAC,135~370VDC
General Specification
| Specification | RSP-320-12 | RSP-320-24 | RSP-320-36 | RSP-320-48 |
| DC output voltage,current | 12V 0~26.7A | 24V 0~13.3A | 36V 0~8.9A | 48V 0~7.3A |
| Wave and noise | 150mVp-p | 200mVp-p | 220mVp-p | 240mVp-p |
| Line regulation rate | ±0.5% | ±0.5% | ±0.5% | ±0.5% |
| Load regulation rate | ±1% | ±0.5% | ±0.5% | ±0.5% |
| Efficiency | 91% | 92.5% | 93% | 94% |
| Adjustable range for DC voltage | ±10% | ±10% | ±10% | ±10% |
| Input voltage range | 90~264VAC,135~370VDC(Can withstand 300VAC surge input for 5 seconds without damage)47-63Hz | |||
| AC input current | 4.0A/115V 2.0A/230VAC | |||
| Power factor | PF≥0.99/115VAC,PF≥0.95/230VAC (When fully loaded) | |||
| Impact current | Cold start current 40A/230VAC | |||
| Overload protection | Overload protection is activated at 100%-125%of the rated output power.Protection method: Isolation mode,can automatically restore normal output after removing abnormal conditions. | |||
| Overvoltage protection | Starting overvoltage protection at 115%~135%of rated output voltage.Protection method: Isolation mode,can automatically restore normal output after removing abnormal conditions. | |||
| Over temperature protection | 85℃±10℃ Protection method:Isolation mode,can automatically recover after the temperature returns to normal | |||
| Setup,rise,hold up time | 800ms,50ms,16ms/230VAC(When fully loaded) | |||
| Withstand voltage | Input/output space(I/P~O/P):1.5KVAC input to ground(I/P~FG):1.5KVAC output to ground(O/P~FG):0.5KVAC | |||
| Insulation resistance | Input/output(I/P~O/P),input to ground(I/P~FG),output to ground(O/P~FG):100M Ohms/500VDC/25°C/70%RH | |||
| Working temperature/humidity | -20℃~+60℃ 20%~90%RH, No condensation | |||
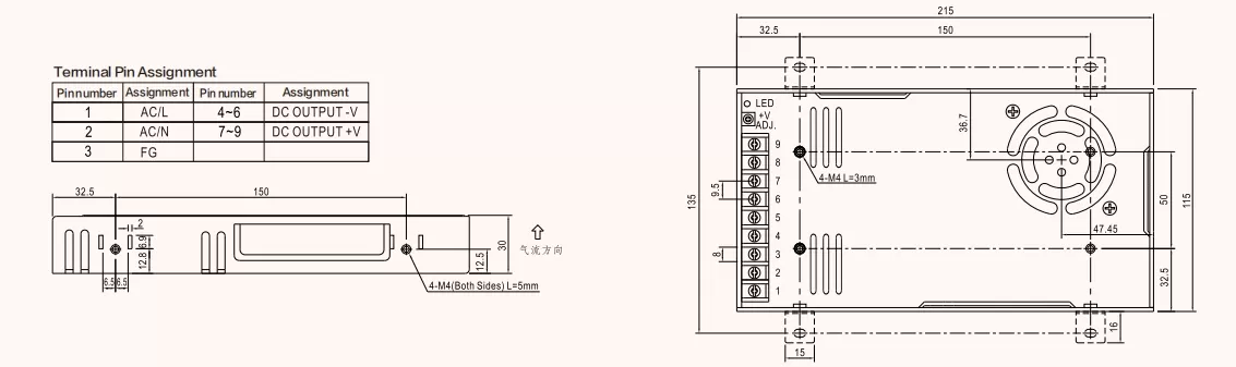
| Dimension | 215×115×30mm(L*W*H) | |||
| Packing | 0.8kg/20pcs/17.5kg/0.003m³ | |||
Overall Dimension(mm)
What’s the best Power Supply products for your business?
Boost your business with WEHO quality power supply prooducts.
Ask an Expert


